Swimming pools have been sanitized with salt chlorination for more than 200 years. Electrolysis was the technology used to convert salt to free chlorine before the advent of bulk chlorine, and today, it forms the foundation of a simple, cost-effective commercial process.
In operation, small amounts of salt – the same chemical composition of table salt – are added to the pool’s water. The saline water is then passed through a chlorine-generating cell in a self-contained unit in the pool’s pump room. As low-voltage electricity is applied to the metal plates within the cell, the system produces chlorine, which is pumped back into the pool to kill bacteria, algae, and germs. After it kills contaminates, it reverts back to salt and is recycled through the chlorinator to begin the process again.
Until recently, salt chlorination was associated with smaller, residential pools. Current commercial systems can produce 2 to 28 pounds of chlorine per day, which means they can sanitize pools ranging in size from 2,500 to 1,000,000 gallons. The size of a salt chlorinator will vary based on the volume of water to sanitize, and the salt should hardly be noticed. The concentration of salt is one-tenth that of sea water, approximately 3,500 – 5,000 parts per million (ppm) as opposed to 35,000 ppm.

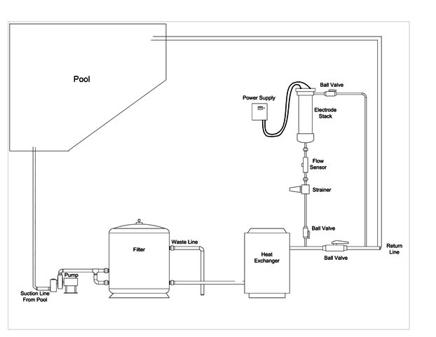
Installation of a batch chlorine generation system that uses salt to produce chlorine to sanitize pool water. This technology eliminates the need to handle bulk chlorine.
Commercial-grade saline systems have components that are capable of operating 24/7/365, which allows these systems to adequately sanitize heavy-use commercial pools. Chlorinators designed for commercial use can last for 10 years or more when properly maintained, and that can lead to lower lifecycle costs when compared with the replacement costs for units that are not designed for heavy-duty commercial use. Conversely, residential units that are sold to commercial facilities at lower costs don’t work properly and seldom last very long.
Pools with salt chlorination systems require monitoring with the same equipment as chlorine-based systems. Occasionally, you will have to add salt to replace what is lost to splash-out, overflow and filter back-washing. Toroidal salt control technology helps monitor and maintain proper salt concentrations. Low salt concentrations can shorten cell lifespan and lower chlorine production. Automatic salt feeders can monitor and maintain the salt in your pool at a pre-set level.

Self-contained batch chlorine generation systems use pool water, which eliminates the need to connect them to freshwater sources. They are designed for pools with heavy use or dilution for owners who want eliminate chlorine without operating a salt pool.
For those who don’t want to add or maintain salt in the pool, consider batch chlorine generators. They produce pH-neutral liquid chlorine (bleach) from salt stored in a feeder in the pump room. They eliminate the need to add salt and test salt levels. Sized according to pool capacity, they provide the benefits of producing chlorine on-site. Skid-mounted systems use pool water, which eliminates the need to connect them to freshwater sources. Once the system is installed, owners can operate their pools as a traditional bleach or salt pool with the only cost being for salt and electricity.
From an operating-cost perspective, the salt is less expensive than chlorine and not subject to the same price volatility or special handling and storage needs. Saline-based sanitization systems are appealing as an eco-friendlier option and can make your pool a lifestyle asset.